You know who has a lot of feelings? Blokes what bludgeon their wives to death with a golf trophy. Professionals have standards.
-The Sniper (Team Fortress 2)
Things to talk about in the post
Background
I’ve been making a lot of drawings as a part of my job recently. This is the beauty of being in a startupm you wear many hats. I had a decent amount of experience making and releasing professional drawing packages from my internships are the City of Edmonton and CNRL. These were based on simplistic principles of GD&T that they have time to teach you in undergrad. But there’s a few things those undergrad-class drawings aren’t (legally speaking):
Complete
Coherent
Correct
Here is the gist for those who aren’t familiar with how engineering drawings work.
Manufacturing is imperfect. If you specify a bar must be 10 mm long, it will not be atomically perfectly 10 mm long.
Due to (1), it is the engineer’s responsibility to clearly define what “tolerance” or “error” on this measurement is acceptable. This is specified on the drawing where dimensions are called out with some tolerance.
How best to specify tolerances is not (yet) a solved problem. Organizations of very smart engineers create standards (such as ASME Y14.5 or ISO 1101) to help engineers communicate these tolerances in a clear and unambiguous way. These standards are living documents and are updated as best-practices evolve. Sometimes entire philosophies of tolerancing are developed.
GD&T (Geometric Dimensioning and Tolerancing) is a language of symbols and rules that help engineers specify these tolerances in a complete, coherent, and correct manner.
The history of GD&T is quite interesting. My professor in undergrad would say that early GD&T is why the british navy took over the world.

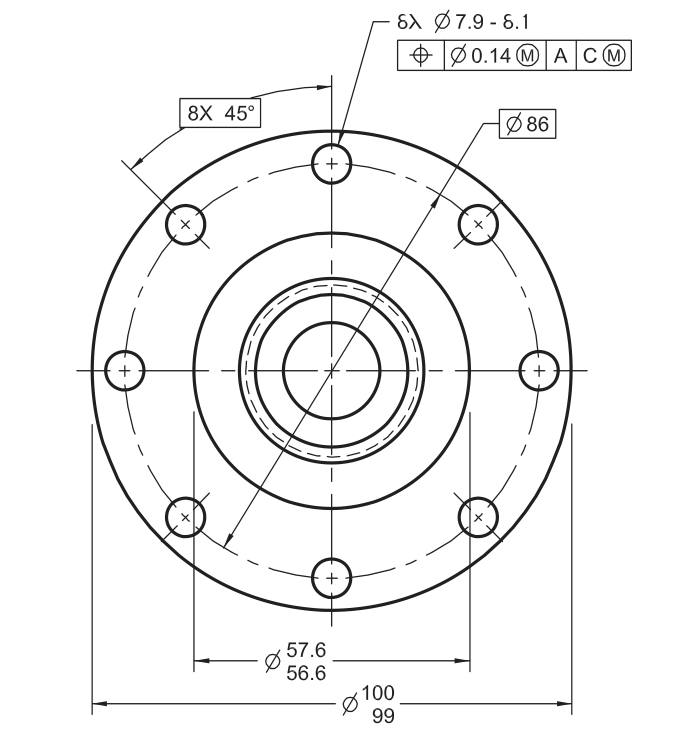
An example engineering drawing showing GD&T callouts (fromt he cover of the ASME Y14.5-2018 standard)
The Chase
After producing some bad drawings and noticing how much better the other more experience engineers were at it, I asked to take some training. Conifer agreed! They sponsored me to take the ASME Y14.5 certification course and exam through ASME. Over a couple of months, I got three ceritifications:
ASME Y14.5-2018 – GD&T Fundamentals
Introduction to Geometric Dimensioning & Tolerancing (GD&T) - Y14.5
Advanced Geometric Dimensioning and Tolerancing (GD&T) - Y14.5

My Advanced GD&T Certification! Woo!
I do want to make one thing clear, there is an actual ASME Y14.5 Certified Professional exam that is more rigorous, and if I’m correct is an in-person 4+ hour exam. This is not that. These are online certifications offered by the same organization, that teach you the material and then test you on it.
Still, I do feel much more deadly with a drawing package now.
Acknowledgements
By the way, I do want to give a shout-out to Scott Neumann from GeoTol who helped develop this course. Really, really stellar stuff. I never made a post about my time taking the Harvard CS50X course, but Scott gives very David Malan vibes.
And of course, thank you to Conifer for sponsoring me to take these courses!